Pino Auto. pino mini toys car atarraxante cento pacote pino unidades veja passe

Nissan Pino 2008 (Japanese Car) Car Review Cars World Test Drive
Nissan Pino 2008 (Japanese Car) Car Review Cars World Test Drive from www.youtube.com

pino travante pino nissan fuel car tank pino mini toys car

Nissan Pino 2008 (Japanese Car) Car Review Cars World Test Drive

pino mini toys car pino topcar pino toys aromatizante pino scent freshener pinote smell aroma freshner fragrance alfaluz

Pino individual aromatizante auto nuevo

pino topcar pino mini toys car

OBD2 pinout explained. Major car brands pinouts

unidades atarraxante pacote cento pino pino toys

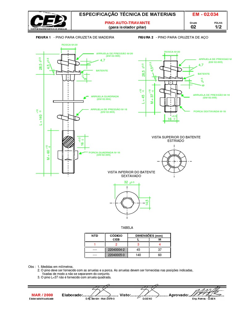
Pino auto travante para Isolador Pilar ATS

pino travante travante pino